Garanzia di commutazione

Nelle strutture sanitarie, l'architettura della distribuzione elettrica deve prevedere un sistema di commutazione automatica tra la rete di distribuzione principale e le sorgenti di sicurezza e/o di sostituzione in caso di interruzione della rete.

La norma IEC 60364-7-710, che illustra le regole per gli impianti elettrici nei locali ad uso medico, stabilisce l'intervallo di tempo entro il quale la corrente deve essere ripristinata. Stabilisce diverse classi a seconda del tipo di assistenza fornita ai pazienti.

Nella classe 0.5, l'alimentazione elettrica delle sale operatorie non può essere interrotta per più di 0,5 secondi.

Continuità
UNA DISTRIBUZIONE
SENZA PROBLEMI
Sicurezza
UNA COMMUTAZIONE RAPIDA
E SENZA INTERRUZIONE
Selezionare il corretto livello di sicurezza

Secondo la norma IEC 60364-7-710, i servizi di sicurezza richiesti per i locali ad uso medico sono raggruppati in base a diversi tempi di interruzione dell'alimentazione elettrica.

 

Interruzione ≤ 0,5 s

Classe 0 → nessuna interruzione

Classe 0,5 → interruzione breve ≤ 0,5 s

 

Esempi di locale con interruzione ≤ 0,5 s

sale operatorie, sala anestesia, terapia intensiva, sala di risveglio

 

Medici in sala operatoria

Interruzione> 0,5 s

Classe 15 → interruzione media ≤ 15 s

Classe > 15 → interruzione lunga > 15 s

 

Esempi di locale con interruzione ≤ 15 s consentita

locale per elettrocardiografia, elettroencefalogramma, endoscopia

 

scanner

Scegli il tipo di commutazione

Il tipo di commutazione deve essere selezionato in base alla classe prevista. Il tipo determinerà il tempo di commutazione tra i due dispositivi e di conseguenza il tempo di interruzione.

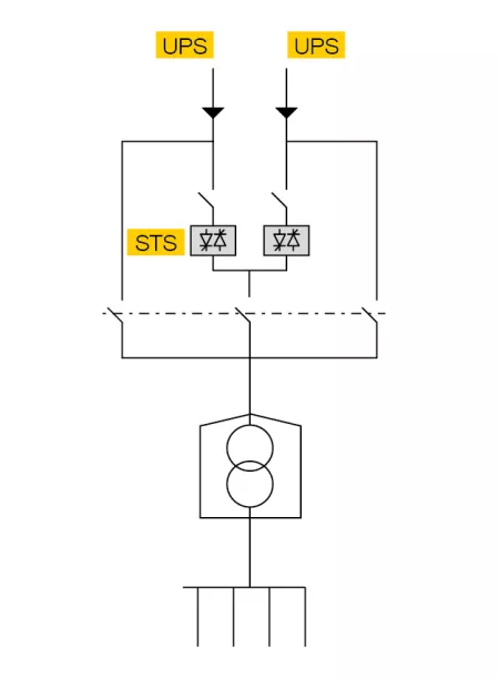
Image
Promesse_05_schem_007_a_gb

Classe 0

con UPS + STS

Image
Promesse_05_schem_008_a_gb

Classe 0

con UPS + ATSE

Image
Promesse_05_schem_009_a_gb

Classe 0,5 

con UPS + ATSE

UPS: Sistema statico di continuità

STS: Sistema di trasferimento statico

ATSE: Commutatori di rete automatici

Le soluzioni Socomec

I commutatori di rete STATYS e ATyS 

I commutatori di rete statici ed elettromeccanici soddisfano i requisiti dell'architettura elettrica negli ospedali.

I sistemi di trasferimento statico (STS) STATYS HC soddisfano i requisiti previsti dalla classe 0.

A seconda dell'architettura, i commutatori di rete automatici (ATSE) ATyS M soddisfano i requisiti previsti dalla classe 0,5 o dalla class 0 in associazione con i sistemi statici di continuità (UPS) MODULYS. 

Per garantire la disponibilità elettrica e il controllo dell'isolamento per i locali ad uso medico del gruppo 2, questi dispositivi possono essere integrati nell'alimentazione elettrica isolata MEDSYS.